李工:138-8949-5179 刘工:135-0428-8802
型号查询
轴承型号   常见搜索: 23136轴承 6024轴承 6016轴承 *轴承 6022轴承 6013轴承
型号查询 X

轴承专区

Bearings Center

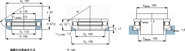
53226轴承-SKF 53226轴承尺寸、图纸、价格

SKF 53226轴承

产品名称:53226轴承 品牌:SKF
类型:SKF轴承 > 滚动轴承 > 推力球轴承
描述:53226轴承是【SKF轴承 > 滚动轴承 > 推力球轴承】的型号,主要用在飞机喷气式发动机、燃汽轮机、减速装置、后轮、木工机械、起重机吊钩、燃机、精细化工机械、强夯机、钢包回转台等各大领域

 电话/微信:138-8949-5179

SKF 53226轴承详细信息

53226轴承是【SKF轴承 > 滚动轴承 > 推力球轴承】的型号,主要用在飞机喷气式发动机、燃汽轮机、减速装置、后轮、木工机械、起重机吊钩、燃机、精细化工机械、强夯机、钢包回转台等各大领域。

SKF 53226轴承详细参数

推力球轴承, 单向,带球面轴承座垫圈
主要数据尺寸基本负荷额定值疲劳负荷限值最小负荷系数额定速度体积 型号
动态静态参照速度限制速度轴承 +垫圈轴承基座垫圈
dDH1CC0PuA
mmkNkN-r/minkg-
13019053186585171,8140020004,8553226U 226

SKF 53226轴承尺寸图纸

李工:138-8949-5179

刘工:135-0428-8802

地址:辽宁省大连经济技术开发区现代城3栋-13-13号

在线客服系统