轴承专区
Bearings Center
YAT 204轴承-SKF YAT 204轴承尺寸、图纸、价格
SKF YAT 204轴承
| 产品名称: | YAT 204轴承 | 品牌: | SKF |
|---|---|---|---|
| 类型: | SKF轴承 > 滚动轴承 > Y-轴承 | ||
| 描述: | YAT 204轴承是【SKF轴承 > 滚动轴承 > Y-轴承】的型号,主要用在仪表、差速器小齿轮轴、变速器、小齿轮轴、减速装置、机床主轴、碾煤机、塑料、挖掘机、钢包回转台等各大领域 | ||
电话/微信:138-8949-5179
SKF YAT 204轴承详细信息
YAT 204轴承是【SKF轴承 > 滚动轴承 > Y-轴承】的型号,主要用在仪表、差速器小齿轮轴、变速器、小齿轮轴、减速装置、机床主轴、碾煤机、塑料、挖掘机、钢包回转台等各大领域。
SKF YAT 204轴承详细参数
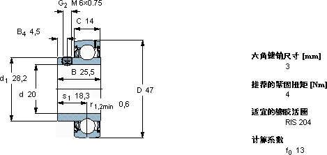
| Y-轴承, 带平头螺钉锁定的, YAT 2 | ||||||||||
| 主要数据尺寸 | 基本负荷额定值 | 疲劳负荷限值 | 限制速度 | 体积 | 型号 | |||||
| 动态 | 静态 | |||||||||
| d | D | B | C | C | C0 | Pu | 用于轴公差h6 | |||
| mm | kN | kN | r/min | kg | - | |||||
| 20 | 47 | 25,5 | 14 | 12,7 | 6,55 | 0,28 | 8500 | 0,11 | YAT 204 | |
SKF YAT 204轴承尺寸图纸

