李工:138-8949-5179 刘工:135-0428-8802
型号查询
轴承型号   常见搜索: 71913轴承 6003轴承 6013轴承 6026轴承 6014轴承 6205轴承
型号查询 X

轴承专区

Bearings Center

61922轴承-SKF 61922轴承尺寸、图纸、价格

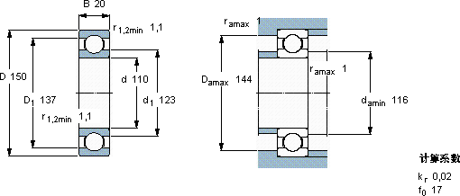
SKF 61922轴承

产品名称:61922轴承 品牌:SKF
类型:SKF轴承 > 滚动轴承 > 深沟球轴承
描述:61922轴承是【SKF轴承 > 滚动轴承 > 深沟球轴承】的型号,主要用在后轮、空气压缩机、汽车发动机、大型农业机械、造纸机械、汽车转向销、水力发电机、医药设备、土方机械、焊接机器人等各大领域

 电话/微信:138-8949-5179

SKF 61922轴承详细信息

61922轴承是【SKF轴承 > 滚动轴承 > 深沟球轴承】的型号,主要用在后轮、空气压缩机、汽车发动机、大型农业机械、造纸机械、汽车转向销、水力发电机、医药设备、土方机械、焊接机器人等各大领域。

SKF 61922轴承详细参数

深沟球轴承, 单列, 无密封件
主要数据尺寸基本负荷额定值疲劳负荷限值额定速度体积型号
动态静态参照速度限制速度
dDBCC0Pu
mmkNkNr/minkg-
1101502043,6451,66900056000,9061922

SKF 61922轴承尺寸图纸

李工:138-8949-5179

刘工:135-0428-8802

地址:辽宁省大连经济技术开发区现代城3栋-13-13号

在线客服系统