轴承专区
Bearings Center
63/28轴承-SKF 63/28轴承尺寸、图纸、价格
SKF 63/28轴承
| 产品名称: | 63/28轴承 | 品牌: | SKF |
|---|---|---|---|
| 类型: | SKF轴承 > 滚动轴承 > 深沟球轴承 | ||
| 描述: | 63/28轴承是【SKF轴承 > 滚动轴承 > 深沟球轴承】的型号,主要用在变速器、罗茨鼓风机、中型及大型电动机、建筑机械、印刷机械、石油钻机转环、立式电动机、电子、轻工机械、正面吊等各大领域 | ||
电话/微信:138-8949-5179
SKF 63/28轴承详细信息
63/28轴承是【SKF轴承 > 滚动轴承 > 深沟球轴承】的型号,主要用在变速器、罗茨鼓风机、中型及大型电动机、建筑机械、印刷机械、石油钻机转环、立式电动机、电子、轻工机械、正面吊等各大领域。
SKF 63/28轴承详细参数
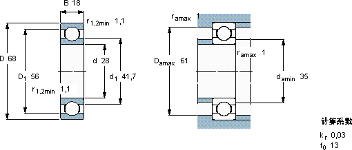
| 深沟球轴承, 单列, 无密封件 | |||||||||||
| 主要数据尺寸 | 基本负荷额定值 | 疲劳负荷限值 | 额定速度 | 体积 | 型号 | ||||||
| 动态 | 静态 | 参照速度 | 限制速度 | ||||||||
| d | D | B | C | C0 | Pu | ||||||
| mm | kN | kN | r/min | kg | - | ||||||
| 28 | 68 | 18 | 25,1 | 13,7 | 0,585 | 22000 | 14000 | 0,29 | 63/28 | ||
SKF 63/28轴承尺寸图纸

