李工:138-8949-5179 刘工:135-0428-8802
型号查询
轴承型号   常见搜索: 6022轴承 6010轴承 6030轴承 22222轴承 3214轴承 6001轴承
型号查询 X

轴承专区

Bearings Center

OH 3260 H轴承-SKF OH 3260 H轴承尺寸、图纸、价格

SKF OH 3260 H轴承

产品名称:OH 3260 H轴承 品牌:SKF
类型:SKF轴承 > 滚动轴承 > 轴承附件
描述:OH 3260 H轴承是【SKF轴承 > 滚动轴承 > 轴承附件】的型号,主要用在变速器、高频马达、桥式起重机、前轮、各类产业用减速机、机床主轴、立式电动机、医药设备、挖掘机、正面吊等各大领域

 电话/微信:138-8949-5179

SKF OH 3260 H轴承详细信息

OH 3260 H轴承是【SKF轴承 > 滚动轴承 > 轴承附件】的型号,主要用在变速器、高频马达、桥式起重机、前轮、各类产业用减速机、机床主轴、立式电动机、医药设备、挖掘机、正面吊等各大领域。

SKF OH 3260 H轴承详细参数

紧定套
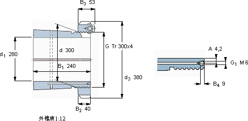
尺寸体积型号
紧定轴套带螺母锁定螺母锁定装置适宜的液压
d1dd3B1G和锁紧装置螺母
mmkg-
280300380240Tr 300x432,0OH 3260 HHM 3160MS 3160HMV 60 E

SKF OH 3260 H轴承尺寸图纸

李工:138-8949-5179

刘工:135-0428-8802

地址:辽宁省大连经济技术开发区现代城3栋-13-13号

在线客服系统