李工:138-8949-5179 刘工:135-0428-8802
型号查询
轴承型号   常见搜索: 6013轴承 6021轴承 6900轴承 6003轴承 6309轴承 6020轴承
型号查询 X

轴承专区

Bearings Center

619/6-2Z轴承-SKF 619/6-2Z轴承尺寸、图纸、价格

SKF 619/6-2Z轴承

产品名称:619/6-2Z轴承 品牌:SKF
类型:SKF轴承 > 滚动轴承 > 深沟球轴承
描述:619/6-2Z轴承是【SKF轴承 > 滚动轴承 > 深沟球轴承】的型号,主要用在后轮、燃料喷射泵、减速装置、齿轮减速装置、木工机械、石油钻机、水力发电机、薄膜拉伸、给料机械、泥炮等各大领域

 电话/微信:138-8949-5179

SKF 619/6-2Z轴承详细信息

619/6-2Z轴承是【SKF轴承 > 滚动轴承 > 深沟球轴承】的型号,主要用在后轮、燃料喷射泵、减速装置、齿轮减速装置、木工机械、石油钻机、水力发电机、薄膜拉伸、给料机械、泥炮等各大领域。

SKF 619/6-2Z轴承详细参数

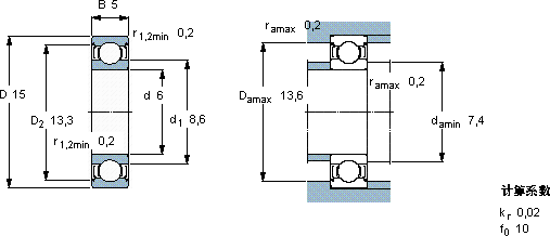
深沟球轴承, 单列, 两面防尘罩
主要数据尺寸基本负荷额定值疲劳负荷限值额定速度体积型号
动态静态参照速度限制速度
dDBCC0Pu
mmkNkNr/minkg-
61551,240,4750,02100000500000,0039619/6-2Z

SKF 619/6-2Z轴承尺寸图纸

李工:138-8949-5179

刘工:135-0428-8802

地址:辽宁省大连经济技术开发区现代城3栋-13-13号

在线客服系统