李工:138-8949-5179 刘工:135-0428-8802
型号查询
轴承型号   常见搜索: 6008轴承 6026轴承 6009轴承 6900轴承 23136轴承 22222轴承
型号查询 X

轴承专区

Bearings Center

SC 35 ES轴承-SKF SC 35 ES轴承尺寸、图纸、价格

SKF SC 35 ES轴承

产品名称:SC 35 ES轴承 品牌:SKF
类型:SKF轴承 > 球面滑动轴承和杆端关节轴承 > 需维护的杆端关节轴承
描述:SC 35 ES轴承是【SKF轴承 > 球面滑动轴承和杆端关节轴承 > 需维护的杆端关节轴承】的型号,主要用在装卸搬运机械、差速器小齿轮轴、减速装置、小齿轮轴、印刷机械、机床等的变速装置、矿山、烟草机械、压路机、风力发电设备等各大领域

 电话/微信:138-8949-5179

SKF SC 35 ES轴承详细信息

SC 35 ES轴承是【SKF轴承 > 球面滑动轴承和杆端关节轴承 > 需维护的杆端关节轴承】的型号,主要用在装卸搬运机械、差速器小齿轮轴、减速装置、小齿轮轴、印刷机械、机床等的变速装置、矿山、烟草机械、压路机、风力发电设备等各大领域。

SKF SC 35 ES轴承详细参数

需要维护的杆端, 钢对钢,焊接柄
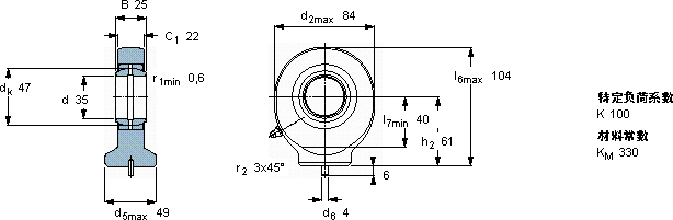
主要数据尺寸角度倾的基本负荷额定值质量型号
动态静态
dd2BC1h2±CC0
最大
mm度数kNkg-
35842522616801121,00SC 35 ES

SKF SC 35 ES轴承尺寸图纸

李工:138-8949-5179

刘工:135-0428-8802

地址:辽宁省大连经济技术开发区现代城3栋-13-13号

在线客服系统