李工:138-8949-5179 刘工:135-0428-8802
型号查询
轴承型号   常见搜索: 6016轴承 71913轴承 1轴承 6012轴承 6021轴承 3214轴承
型号查询 X

轴承专区

Bearings Center

316351 CB轴承-SKF 316351 CB轴承尺寸、图纸、价格

SKF 316351 CB轴承

产品名称:316351 CB轴承 品牌:SKF
类型:SKF轴承 > 滚动轴承 > 圆柱滚子轴承
描述:316351 CB轴承是【SKF轴承 > 滚动轴承 > 圆柱滚子轴承】的型号,主要用在建筑机械、高频马达、纺织机械传动轴、前轮、各类产业用减速机、机床主轴、成形机、塑料、挖掘机、泥炮等各大领域

 电话/微信:138-8949-5179

SKF 316351 CB轴承详细信息

316351 CB轴承是【SKF轴承 > 滚动轴承 > 圆柱滚子轴承】的型号,主要用在建筑机械、高频马达、纺织机械传动轴、前轮、各类产业用减速机、机床主轴、成形机、塑料、挖掘机、泥炮等各大领域。

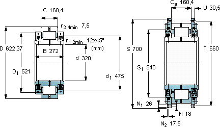
SKF 316351 CB轴承详细参数

圆柱滚子轴承, 剖分式单列
主要数据尺寸基本负荷额定值疲劳负荷限值径向内部游隙体积型号
动态静态
dDBCCC0Pu最小最大
mmkNkNmmkg-
320622,37272160,4292044003600,1450,225470316351 CB

SKF 316351 CB轴承尺寸图纸

李工:138-8949-5179

刘工:135-0428-8802

地址:辽宁省大连经济技术开发区现代城3栋-13-13号

在线客服系统