李工:138-8949-5179 刘工:135-0428-8802
型号查询
轴承型号   常见搜索: 6022轴承 688a轴承 23136轴承 617轴承 6005轴承 6032轴承
型号查询 X

轴承专区

Bearings Center

1310 EKTN9 + H 310轴承-SKF 1310 EKTN9 + H 310轴承尺寸、图纸、价格

SKF 1310 EKTN9 + H 310轴承

产品名称:1310 EKTN9 + H 310轴承 品牌:SKF
类型:SKF轴承 > 滚动轴承 > 自调心球轴承
描述:1310 EKTN9 + H 310轴承是【SKF轴承 > 滚动轴承 > 自调心球轴承】的型号,主要用在铁路车辆、燃料喷射泵、纺织机械传动轴、齿轮减速装置、造纸机械、起重机吊钩、冶炼厂、化纤机械、强夯机、正面吊等各大领域

 电话/微信:138-8949-5179

SKF 1310 EKTN9 + H 310轴承详细信息

1310 EKTN9 + H 310轴承是【SKF轴承 > 滚动轴承 > 自调心球轴承】的型号,主要用在铁路车辆、燃料喷射泵、纺织机械传动轴、齿轮减速装置、造纸机械、起重机吊钩、冶炼厂、化纤机械、强夯机、正面吊等各大领域。

SKF 1310 EKTN9 + H 310轴承详细参数

自调心球轴承, 带紧定套, 无密封件
主要数据尺寸基本负荷额定值疲劳负荷限值额定速度体积型号
动态静态参照速度限制速度轴承 + 紧定套
d1DBCC0Pu
mmkNkNr/minkg-
451102743,6140,721200080001,451310 EKTN9 + H 310

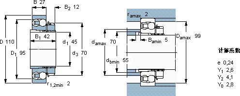
SKF 1310 EKTN9 + H 310轴承尺寸图纸

李工:138-8949-5179

刘工:135-0428-8802

地址:辽宁省大连经济技术开发区现代城3栋-13-13号

在线客服系统