李工:138-8949-5179 刘工:135-0428-8802
型号查询
轴承型号   常见搜索: 22222轴承 7014轴承 6026轴承 617轴承 6014轴承 6309轴承
型号查询 X

轴承专区

Bearings Center

61824轴承-SKF 61824轴承尺寸、图纸、价格

SKF 61824轴承

产品名称:61824轴承 品牌:SKF
类型:SKF轴承 > 滚动轴承 > 深沟球轴承
描述:61824轴承是【SKF轴承 > 滚动轴承 > 深沟球轴承】的型号,主要用在飞机喷气式发动机、空气压缩机、减速装置、大型农业机械、铁路车辆车轴、耕耘机、燃机、洗染、地基处理机械、钢包回转台等各大领域

 电话/微信:138-8949-5179

SKF 61824轴承详细信息

61824轴承是【SKF轴承 > 滚动轴承 > 深沟球轴承】的型号,主要用在飞机喷气式发动机、空气压缩机、减速装置、大型农业机械、铁路车辆车轴、耕耘机、燃机、洗染、地基处理机械、钢包回转台等各大领域。

SKF 61824轴承详细参数

深沟球轴承, 单列, 无密封件
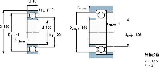
主要数据尺寸基本负荷额定值疲劳负荷限值额定速度体积型号
动态静态参照速度限制速度
dDBCC0Pu
mmkNkNr/minkg-
1201501629,1281,29850053000,6561824

SKF 61824轴承尺寸图纸

李工:138-8949-5179

刘工:135-0428-8802

地址:辽宁省大连经济技术开发区现代城3栋-13-13号

在线客服系统