李工:138-8949-5179 刘工:135-0428-8802
型号查询
轴承型号   常见搜索: 6002轴承 6004轴承 6009轴承 32313轴承 6013轴承 3214轴承
型号查询 X

轴承专区

Bearings Center

7330 BCBM轴承-SKF 7330 BCBM轴承尺寸、图纸、价格

SKF 7330 BCBM轴承

产品名称:7330 BCBM轴承 品牌:SKF
类型:SKF轴承 > 滚动轴承 > 角接触球轴承
描述:7330 BCBM轴承是【SKF轴承 > 滚动轴承 > 角接触球轴承】的型号,主要用在建筑机械、离心分离机、中型及大型电动机、变速器、破碎机、石油钻机转环、成形机、陶瓷机械、轻工机械、港口起重机等各大领域

 电话/微信:138-8949-5179

SKF 7330 BCBM轴承详细信息

7330 BCBM轴承是【SKF轴承 > 滚动轴承 > 角接触球轴承】的型号,主要用在建筑机械、离心分离机、中型及大型电动机、变速器、破碎机、石油钻机转环、成形机、陶瓷机械、轻工机械、港口起重机等各大领域。

SKF 7330 BCBM轴承详细参数

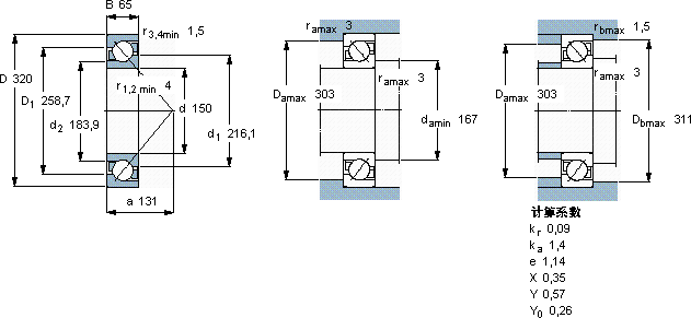
角接触球轴承, 单列
主要数据尺寸尺寸 [英寸]疲劳负荷限值额定速度体积型号
动态静态参照速度限制速度
dDBCC0Pu
mmkNkNr/minkg-
1503206533239010,82400240025,07330 BCBM

SKF 7330 BCBM轴承尺寸图纸

李工:138-8949-5179

刘工:135-0428-8802

地址:辽宁省大连经济技术开发区现代城3栋-13-13号

在线客服系统