李工:138-8949-5179 刘工:135-0428-8802
型号查询
轴承型号   常见搜索: 6030轴承 6014轴承 6020轴承 6010轴承 6909轴承 32313轴承
型号查询 X

轴承专区

Bearings Center

62203-2RS1轴承-SKF 62203-2RS1轴承尺寸、图纸、价格

SKF 62203-2RS1轴承

产品名称:62203-2RS1轴承 品牌:SKF
类型:SKF轴承 > 滚动轴承 > 深沟球轴承
描述:62203-2RS1轴承是【SKF轴承 > 滚动轴承 > 深沟球轴承】的型号,主要用在电气装置部件、油泵、挖土机履带轮、机床主轴、造纸机械、起重机吊钩、船舶用螺旋桨轴、烟草机械、专用车、摩天轮等各大领域

 电话/微信:138-8949-5179

SKF 62203-2RS1轴承详细信息

62203-2RS1轴承是【SKF轴承 > 滚动轴承 > 深沟球轴承】的型号,主要用在电气装置部件、油泵、挖土机履带轮、机床主轴、造纸机械、起重机吊钩、船舶用螺旋桨轴、烟草机械、专用车、摩天轮等各大领域。

SKF 62203-2RS1轴承详细参数

深沟球轴承, 单列, 两面密封件
主要数据尺寸基本负荷额定值疲劳负荷限值额定速度体积型号
动态静态参照速度限制速度
dDBCC0Pu
mmkNkNr/minkg-
1740169,564,750,2-120000,08362203-2RS1

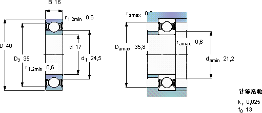
SKF 62203-2RS1轴承尺寸图纸

李工:138-8949-5179

刘工:135-0428-8802

地址:辽宁省大连经济技术开发区现代城3栋-13-13号

在线客服系统