轴承专区
Bearings Center
61804轴承-SKF 61804轴承尺寸、图纸、价格
SKF 61804轴承
| 产品名称: | 61804轴承 | 品牌: | SKF |
|---|---|---|---|
| 类型: | SKF轴承 > 滚动轴承 > 深沟球轴承 | ||
| 描述: | 61804轴承是【SKF轴承 > 滚动轴承 > 深沟球轴承】的型号,主要用在电气装置部件、空气压缩机、提升机、大型农业机械、轧钢机辊道子、耕耘机、船舶用螺旋桨轴、纺织、地基处理机械、风力发电设备等各大领域 | ||
电话/微信:138-8949-5179
SKF 61804轴承详细信息
61804轴承是【SKF轴承 > 滚动轴承 > 深沟球轴承】的型号,主要用在电气装置部件、空气压缩机、提升机、大型农业机械、轧钢机辊道子、耕耘机、船舶用螺旋桨轴、纺织、地基处理机械、风力发电设备等各大领域。
SKF 61804轴承详细参数
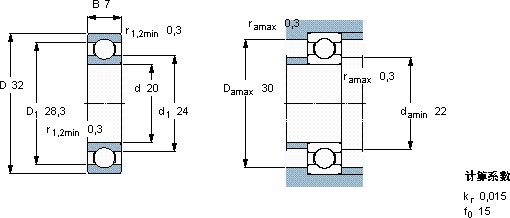
| 深沟球轴承, 单列, 无密封件 | |||||||||||
| 主要数据尺寸 | 基本负荷额定值 | 疲劳负荷限值 | 额定速度 | 体积 | 型号 | ||||||
| 动态 | 静态 | 参照速度 | 限制速度 | ||||||||
| d | D | B | C | C0 | Pu | ||||||
| mm | kN | kN | r/min | kg | - | ||||||
| 20 | 32 | 7 | 4,03 | 2,32 | 0,104 | 45000 | 28000 | 0,018 | 61804 | ||
SKF 61804轴承尺寸图纸

