李工:138-8949-5179 刘工:135-0428-8802
型号查询
轴承型号   常见搜索: 617轴承 6007轴承 6010轴承 6004轴承 6015轴承 6906轴承
型号查询 X

轴承专区

Bearings Center

NUP 305 ECNP *轴承-SKF NUP 305 ECNP *轴承尺寸、图纸、价格

SKF NUP 305 ECNP *轴承

产品名称:NUP 305 ECNP *轴承 品牌:SKF
类型:SKF轴承 > 滚动轴承 > 圆柱滚子轴承
描述:NUP 305 ECNP *轴承是【SKF轴承 > 滚动轴承 > 圆柱滚子轴承】的型号,主要用在装卸搬运机械、离心分离机、提升机、变速器、轧钢机齿轮箱座、石油钻机转环、矿山、饮料设备、凿岩机械、摩天轮等各大领域

 电话/微信:138-8949-5179

SKF NUP 305 ECNP *轴承详细信息

NUP 305 ECNP *轴承是【SKF轴承 > 滚动轴承 > 圆柱滚子轴承】的型号,主要用在装卸搬运机械、离心分离机、提升机、变速器、轧钢机齿轮箱座、石油钻机转环、矿山、饮料设备、凿岩机械、摩天轮等各大领域。

SKF NUP 305 ECNP *轴承详细参数

圆柱滚子轴承, 单列, NUP 设计, 于外圈的带止动槽
主要数据尺寸基本负荷额定值疲劳负荷限值额定速度体积型号适宜的斜挡圈
动态静态参照速度限制速度型号
dDBCC0Pu * - SKF Explorer 轴承
mmkNkNr/minkg--
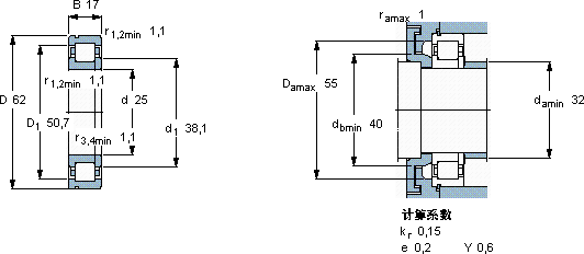
25621746,536,54,5512000150000,25NUP 305 ECNP *-

SKF NUP 305 ECNP *轴承尺寸图纸

李工:138-8949-5179

刘工:135-0428-8802

地址:辽宁省大连经济技术开发区现代城3栋-13-13号

在线客服系统