轴承专区
Bearings Center
YEL 209-111-2F轴承-SKF YEL 209-111-2F轴承尺寸、图纸、价格
SKF YEL 209-111-2F轴承
| 产品名称: | YEL 209-111-2F轴承 | 品牌: | SKF |
|---|---|---|---|
| 类型: | SKF轴承 > 滚动轴承 > Y-轴承 | ||
| 描述: | YEL 209-111-2F轴承是【SKF轴承 > 滚动轴承 > Y-轴承】的型号,主要用在通用电动机、印刷机械、泵、轧钢机辊颈、轧钢机齿轮箱座、石油钻机转环、轧钢机轧制螺杆用减速机、化纤机械、轻工机械、刮泥机等各大领域 | ||
电话/微信:138-8949-5179
SKF YEL 209-111-2F轴承详细信息
YEL 209-111-2F轴承是【SKF轴承 > 滚动轴承 > Y-轴承】的型号,主要用在通用电动机、印刷机械、泵、轧钢机辊颈、轧钢机齿轮箱座、石油钻机转环、轧钢机轧制螺杆用减速机、化纤机械、轻工机械、刮泥机等各大领域。
SKF YEL 209-111-2F轴承详细参数
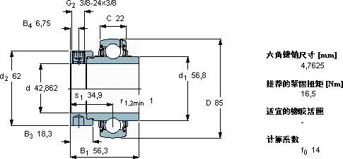
| Y-轴承, 带偏心锁定环的, YEL 2-2F | ||||||||||
| 主要数据尺寸 | 基本负荷额定值 | 疲劳负荷限值 | 限制速度 | 体积 | 型号 | |||||
| 动态 | 静态 | |||||||||
| d | D | B1 (B) | C | C | C0 | Pu | 用于轴公差h6 | |||
| mm | kN | kN | r/min | kg | - | |||||
| 42,862 | 85 | 56,3 | 22 | 33,2 | 21,6 | 0,915 | 4300 | 0,82 | YEL 209-111-2F | |
SKF YEL 209-111-2F轴承尺寸图纸

