李工:138-8949-5179 刘工:135-0428-8802
型号查询
轴承型号   常见搜索: 6026轴承 7014轴承 6304轴承 688a轴承 32313轴承 6022轴承
型号查询 X

轴承专区

Bearings Center

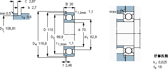
6014 NR *轴承-SKF 6014 NR *轴承尺寸、图纸、价格

SKF 6014 NR *轴承

产品名称:6014 NR *轴承 品牌:SKF
类型:SKF轴承 > 滚动轴承 > 深沟球轴承
描述:6014 NR *轴承是【SKF轴承 > 滚动轴承 > 深沟球轴承】的型号,主要用在各种产业机械、离心分离机、汽车发动机、变速器、轧钢机齿轮箱座、制铁制钢机械、发电厂、洗染、堆取料机、塔式车库等各大领域

 电话/微信:138-8949-5179

SKF 6014 NR *轴承详细信息

6014 NR *轴承是【SKF轴承 > 滚动轴承 > 深沟球轴承】的型号,主要用在各种产业机械、离心分离机、汽车发动机、变速器、轧钢机齿轮箱座、制铁制钢机械、发电厂、洗染、堆取料机、塔式车库等各大领域。

SKF 6014 NR *轴承详细参数

深沟球轴承, 单列,带止动环槽, 无密封件
主要数据尺寸基本负荷额定值疲劳负荷限值额定速度体积型号
动态静态参照速度限制速度轴承止动环
(R = 带止动环)
dDBCC0Pu * - SKF Explorer 轴承
mmkNkNr/minkg-
701102039,7311,321300080000,606014 NR *SP 110

SKF 6014 NR *轴承尺寸图纸

李工:138-8949-5179

刘工:135-0428-8802

地址:辽宁省大连经济技术开发区现代城3栋-13-13号

在线客服系统