李工:138-8949-5179 刘工:135-0428-8802
型号查询
轴承型号   常见搜索: 6026轴承 6002轴承 6906轴承 2025轴承 6309轴承 3214轴承
型号查询 X

轴承专区

Bearings Center

BTW 120 CTN9/SP轴承-SKF BTW 120 CTN9/SP轴承尺寸、图纸、价格

SKF BTW 120 CTN9/SP轴承

产品名称:BTW 120 CTN9/SP轴承 品牌:SKF
类型:SKF轴承 > 超高精密轴承 > Double direction angular contact thrust ball bearings in the BTW series
描述:BTW 120 CTN9/SP轴承是【SKF轴承 > 超高精密轴承 > Double direction angular contact thrust ball bearings in the BTW series】的型号,主要用在仪表、离心分离机、减速装置、变速器、轧钢机齿轮箱座、制铁制钢机械、碾煤机、音像设备、堆取料机、坦克等各大领域

 电话/微信:138-8949-5179

SKF BTW 120 CTN9/SP轴承详细信息

BTW 120 CTN9/SP轴承是【SKF轴承 > 超高精密轴承 > Double direction angular contact thrust ball bearings in the BTW series】的型号,主要用在仪表、离心分离机、减速装置、变速器、轧钢机齿轮箱座、制铁制钢机械、碾煤机、音像设备、堆取料机、坦克等各大领域。

SKF BTW 120 CTN9/SP轴承详细参数

主要数据尺寸 基本负荷额定值 疲劳负荷限值 可达到的速度 体积 型号
动态 静态 疲劳负荷限值 当润滑与
疲劳负荷限值 油脂 滴油润滑
d D H C C C0 Pu
mm kN kN r/min kg -
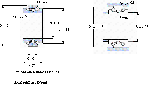
120180723685,228010,8400048005,05BTW 120 CTN9/SP

SKF BTW 120 CTN9/SP轴承尺寸图纸

李工:138-8949-5179

刘工:135-0428-8802

地址:辽宁省大连经济技术开发区现代城3栋-13-13号

在线客服系统