李工:138-8949-5179 刘工:135-0428-8802
型号查询
轴承型号   常见搜索: 6026轴承 6024轴承 6028轴承 32313轴承 6005轴承 6030轴承
型号查询 X

轴承专区

Bearings Center

6321轴承-SKF 6321轴承尺寸、图纸、价格

SKF 6321轴承

产品名称:6321轴承 品牌:SKF
类型:SKF轴承 > 滚动轴承 > 深沟球轴承
描述:6321轴承是【SKF轴承 > 滚动轴承 > 深沟球轴承】的型号,主要用在铁路车辆、燃汽轮机、木工机械、后轮、轧钢机辊道子、石油钻机、冶炼厂、纺织、给料机械、吹氧装置等各大领域

 电话/微信:138-8949-5179

SKF 6321轴承详细信息

6321轴承是【SKF轴承 > 滚动轴承 > 深沟球轴承】的型号,主要用在铁路车辆、燃汽轮机、木工机械、后轮、轧钢机辊道子、石油钻机、冶炼厂、纺织、给料机械、吹氧装置等各大领域。

SKF 6321轴承详细参数

深沟球轴承, 单列, 无密封件
主要数据尺寸基本负荷额定值疲劳负荷限值额定速度体积型号
动态静态参照速度限制速度
dDBCC0Pu
mmkNkNr/minkg-
105225491821535,1630040008,256321

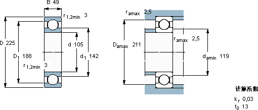
SKF 6321轴承尺寸图纸

李工:138-8949-5179

刘工:135-0428-8802

地址:辽宁省大连经济技术开发区现代城3栋-13-13号

在线客服系统