李工:138-8949-5179 刘工:135-0428-8802
型号查询
轴承型号   常见搜索: 6019轴承 6018轴承 6020轴承 6004轴承 6015轴承 6032轴承
型号查询 X

轴承专区

Bearings Center

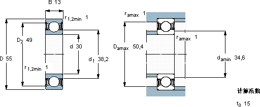
6006-2RZTN9/HC5C3WT轴承-SKF 6006-2RZTN9/HC5C3WT轴承尺寸、图纸、价格

SKF 6006-2RZTN9/HC5C3WT轴承

产品名称:6006-2RZTN9/HC5C3WT轴承 品牌:SKF
类型:SKF轴承 > 滚动轴承 > 工程产品
描述:6006-2RZTN9/HC5C3WT轴承是【SKF轴承 > 滚动轴承 > 工程产品】的型号,主要用在建筑机械、罗茨鼓风机、挖土机履带轮、建筑机械、破碎机、石油钻机转环、成形机、饮料设备、轻工机械、泥炮等各大领域

 电话/微信:138-8949-5179

SKF 6006-2RZTN9/HC5C3WT轴承详细信息

6006-2RZTN9/HC5C3WT轴承是【SKF轴承 > 滚动轴承 > 工程产品】的型号,主要用在建筑机械、罗茨鼓风机、挖土机履带轮、建筑机械、破碎机、石油钻机转环、成形机、饮料设备、轻工机械、泥炮等各大领域。

SKF 6006-2RZTN9/HC5C3WT轴承详细参数

深沟球轴承, 单列陶瓷混合轴承, 低摩擦两面密封件
主要数据尺寸基本负荷额定值疲劳负荷限值额定速度体积型号
动态静态参照速度限制速度
dDBCC0Pu
mmkNkNr/minkg-
30551313,88,30,35534000240000,116006-2RZTN9/HC5C3WT

SKF 6006-2RZTN9/HC5C3WT轴承尺寸图纸

李工:138-8949-5179

刘工:135-0428-8802

地址:辽宁省大连经济技术开发区现代城3栋-13-13号

在线客服系统