李工:138-8949-5179 刘工:135-0428-8802
型号查询
轴承型号   常见搜索: 617轴承 6024轴承 688a轴承 6013轴承 6022轴承 3214轴承
型号查询 X

轴承专区

Bearings Center

635-2Z *轴承-SKF 635-2Z *轴承尺寸、图纸、价格

SKF 635-2Z *轴承

产品名称:635-2Z *轴承 品牌:SKF
类型:SKF轴承 > 滚动轴承 > 深沟球轴承
描述:635-2Z *轴承是【SKF轴承 > 滚动轴承 > 深沟球轴承】的型号,主要用在建筑机械、离心分离机、桥式起重机、变速器、减速装置、制铁制钢机械、成形机、饮料设备、堆取料机、港口起重机等各大领域

 电话/微信:138-8949-5179

SKF 635-2Z *轴承详细信息

635-2Z *轴承是【SKF轴承 > 滚动轴承 > 深沟球轴承】的型号,主要用在建筑机械、离心分离机、桥式起重机、变速器、减速装置、制铁制钢机械、成形机、饮料设备、堆取料机、港口起重机等各大领域。

SKF 635-2Z *轴承详细参数

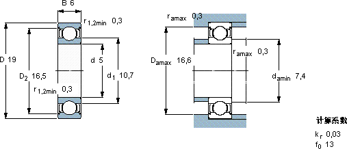
深沟球轴承, 单列, 两面防尘罩
主要数据尺寸基本负荷额定值疲劳负荷限值额定速度体积型号
动态静态参照速度限制速度
dDBCC0Pu * - SKF Explorer 轴承
mmkNkNr/minkg-
51962,340,950,0480000400000,0090635-2Z *

SKF 635-2Z *轴承尺寸图纸

李工:138-8949-5179

刘工:135-0428-8802

地址:辽宁省大连经济技术开发区现代城3栋-13-13号

在线客服系统