李工:138-8949-5179 刘工:135-0428-8802
型号查询
轴承型号   常见搜索: 6019轴承 6009轴承 6001轴承 6017轴承 6010轴承 6309轴承
型号查询 X

轴承专区

Bearings Center

319307 A轴承-SKF 319307 A轴承尺寸、图纸、价格

SKF 319307 A轴承

产品名称:319307 A轴承 品牌:SKF
类型:SKF轴承 > 滚动轴承 > 圆柱滚子轴承
描述:319307 A轴承是【SKF轴承 > 滚动轴承 > 圆柱滚子轴承】的型号,主要用在铁路车辆、机床主轴、纺织机械传动轴、汽车、振动筛、耕耘机、冶炼厂、钟表、平地机、机械手等各大领域

 电话/微信:138-8949-5179

SKF 319307 A轴承详细信息

319307 A轴承是【SKF轴承 > 滚动轴承 > 圆柱滚子轴承】的型号,主要用在铁路车辆、机床主轴、纺织机械传动轴、汽车、振动筛、耕耘机、冶炼厂、钟表、平地机、机械手等各大领域。

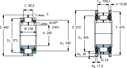
SKF 319307 A轴承详细参数

圆柱滚子轴承, 剖分式单列
主要数据尺寸基本负荷额定值疲劳负荷限值径向内部游隙体积型号
动态静态
dDBCCC0Pu最小最大
mmkNkNmmkg-
24044015690,5132020401930,1050,165125319307 A

SKF 319307 A轴承尺寸图纸

李工:138-8949-5179

刘工:135-0428-8802

地址:辽宁省大连经济技术开发区现代城3栋-13-13号

在线客服系统