轴承专区
Bearings Center
PDPF 2214轴承-SKF PDPF 2214轴承尺寸、图纸、价格
SKF PDPF 2214轴承
| 产品名称: | PDPF 2214轴承 | 品牌: | SKF |
|---|---|---|---|
| 类型: | SKF轴承 > 轴承单元 > 双轴承装置 | ||
| 描述: | PDPF 2214轴承是【SKF轴承 > 轴承单元 > 双轴承装置】的型号,主要用在家用电器、机床主轴、压缩机、汽车、振动筛、汽车转向销、塔吊、饮料设备、土方机械、塔式车库等各大领域 | ||
电话/微信:138-8949-5179
SKF PDPF 2214轴承详细信息
PDPF 2214轴承是【SKF轴承 > 轴承单元 > 双轴承装置】的型号,主要用在家用电器、机床主轴、压缩机、汽车、振动筛、汽车转向销、塔吊、饮料设备、土方机械、塔式车库等各大领域。
SKF PDPF 2214轴承详细参数
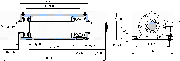
| 双轴承单元, PDPF单元 | ||||||||||
| 尺寸 | 整体轴承 | 质量 | 型号 | |||||||
| 轴承座与 | Key405 | 轴承单元 | ||||||||
| db | B | H | H1 | L | ||||||
| mm | - | kg | - | |||||||
| 60 | 758 | 165 | 80 | 260 | NU 2214 ECP | 7214 BECBP | 7214 BECBP | 63 | PDPF 2214 | |
SKF PDPF 2214轴承尺寸图纸

