李工:138-8949-5179 刘工:135-0428-8802
型号查询
轴承型号   常见搜索: 2025轴承 6019轴承 6017轴承 6032轴承 32313轴承 617轴承
型号查询 X

轴承专区

Bearings Center

53322 M轴承-SKF 53322 M轴承尺寸、图纸、价格

SKF 53322 M轴承

产品名称:53322 M轴承 品牌:SKF
类型:SKF轴承 > 滚动轴承 > 推力球轴承
描述:53322 M轴承是【SKF轴承 > 滚动轴承 > 推力球轴承】的型号,主要用在装卸搬运机械、印刷机械、中型及大型电动机、轧钢机辊颈、破碎机、制铁制钢机械、矿山、医药设备、堆取料机、风力发电设备等各大领域

 电话/微信:138-8949-5179

SKF 53322 M轴承详细信息

53322 M轴承是【SKF轴承 > 滚动轴承 > 推力球轴承】的型号,主要用在装卸搬运机械、印刷机械、中型及大型电动机、轧钢机辊颈、破碎机、制铁制钢机械、矿山、医药设备、堆取料机、风力发电设备等各大领域。

SKF 53322 M轴承详细参数

推力球轴承, 单向,带球面轴承座垫圈
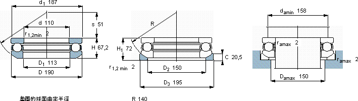
主要数据尺寸基本负荷额定值疲劳负荷限值最小负荷系数额定速度体积 型号
动态静态参照速度限制速度轴承 +垫圈轴承基座垫圈
dDH1CC0PuA
mmkNkN-r/minkg-
1101907228181524,532120017009,1053322 MU 322

SKF 53322 M轴承尺寸图纸

李工:138-8949-5179

刘工:135-0428-8802

地址:辽宁省大连经济技术开发区现代城3栋-13-13号

在线客服系统