轴承专区
Bearings Center
PL 88轴承-SKF PL 88轴承尺寸、图纸、价格
SKF PL 88轴承
| 产品名称: | PL 88轴承 | 品牌: | SKF |
|---|---|---|---|
| 类型: | SKF轴承 > 滚动轴承 > 轴承附件 | ||
| 描述: | PL 88轴承是【SKF轴承 > 滚动轴承 > 轴承附件】的型号,主要用在变速器、各类变速器、泵、铁路车辆、减速装置、机床主轴、立式电动机、钟表、挖掘机、机械手等各大领域 | ||
电话/微信:138-8949-5179
SKF PL 88轴承详细信息
PL 88轴承是【SKF轴承 > 滚动轴承 > 轴承附件】的型号,主要用在变速器、各类变速器、泵、铁路车辆、减速装置、机床主轴、立式电动机、钟表、挖掘机、机械手等各大领域。
SKF PL 88轴承详细参数
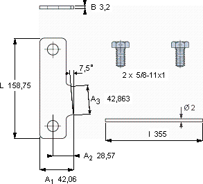
| P锁紧片夹, 英制尺寸 | ||||||
| 尺寸 | 体积 | 型号 | ||||
| 锁定板 | 适宜的锁定螺母 | |||||
| L | A1 | B | ||||
| mm | kg | - | ||||
| 158,75 | 42,06 | 3,2 | 0,27 | PL 88 | N 088 | |
SKF PL 88轴承尺寸图纸

