李工:138-8949-5179 刘工:135-0428-8802
型号查询
轴承型号   常见搜索: 6021轴承 6020轴承 6019轴承 6011轴承 6015轴承 22222轴承
型号查询 X

轴承专区

Bearings Center

2 x 7315 BECBPH *轴承-SKF 2 x 7315 BECBPH *轴承尺寸、图纸、价格

SKF 2 x 7315 BECBPH *轴承

产品名称:2 x 7315 BECBPH *轴承 品牌:SKF
类型:SKF轴承 > 滚动轴承 > 角接触球轴承
描述:2 x 7315 BECBPH *轴承是【SKF轴承 > 滚动轴承 > 角接触球轴承】的型号,主要用在各种产业机械、各类变速器、挖土机履带轮、铁路车辆、各类产业用减速机、机床等的变速装置、发电厂、纺织、压路机、塔式车库等各大领域

 电话/微信:138-8949-5179

SKF 2 x 7315 BECBPH *轴承详细信息

2 x 7315 BECBPH *轴承是【SKF轴承 > 滚动轴承 > 角接触球轴承】的型号,主要用在各种产业机械、各类变速器、挖土机履带轮、铁路车辆、各类产业用减速机、机床等的变速装置、发电厂、纺织、压路机、塔式车库等各大领域。

SKF 2 x 7315 BECBPH *轴承详细参数

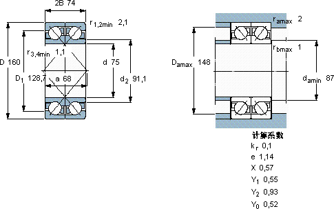
角接触球轴承, 单列,用于配对安装, 面对面配对
主要数据尺寸基本负荷额定值疲劳负荷限值额定速度体积型号轴承配对
动态静态参照速度限制速度
dD2BCC0Pu * - SKF Explorer 轴承
mmkNkNr/minkg--
75160742162088,15430053006,102 × 7315 BECBPH *DF

SKF 2 x 7315 BECBPH *轴承尺寸图纸

李工:138-8949-5179

刘工:135-0428-8802

地址:辽宁省大连经济技术开发区现代城3栋-13-13号

在线客服系统