李工:138-8949-5179 刘工:135-0428-8802
型号查询
轴承型号   常见搜索: 6016轴承 6304轴承 6013轴承 6020轴承 6026轴承 1轴承
型号查询 X

轴承专区

Bearings Center

5206 E轴承-SKF 5206 E轴承尺寸、图纸、价格

SKF 5206 E轴承

产品名称:5206 E轴承 品牌:SKF
类型:SKF轴承 > 滚动轴承 > 角接触球轴承
描述:5206 E轴承是【SKF轴承 > 滚动轴承 > 角接触球轴承】的型号,主要用在仪表、高频马达、减速装置、前轮、印刷机械、机床等的变速装置、碾煤机、破碎、工程船舶、厨具设备等各大领域

 电话/微信:138-8949-5179

SKF 5206 E轴承详细信息

5206 E轴承是【SKF轴承 > 滚动轴承 > 角接触球轴承】的型号,主要用在仪表、高频马达、减速装置、前轮、印刷机械、机床等的变速装置、碾煤机、破碎、工程船舶、厨具设备等各大领域。

SKF 5206 E轴承详细参数

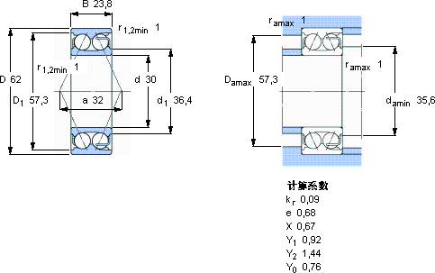
角接触球轴承, 双列, 无密封件
主要数据尺寸基本负荷额定值疲劳负荷限值额定速度体积型号
动态静态参照速度限制速度
dDBCC0Pu
mmkNkNr/minkg-
306223,830,3281,29500100000,355206 E

SKF 5206 E轴承尺寸图纸

李工:138-8949-5179

刘工:135-0428-8802

地址:辽宁省大连经济技术开发区现代城3栋-13-13号

在线客服系统