李工:138-8949-5179 刘工:135-0428-8802
型号查询
轴承型号   常见搜索: 6003轴承 6001轴承 6018轴承 6010轴承 6007轴承 6900轴承
型号查询 X

轴承专区

Bearings Center

23088 CAK/W33 *轴承-SKF 23088 CAK/W33 *轴承尺寸、图纸、价格

SKF 23088 CAK/W33 *轴承

产品名称:23088 CAK/W33 *轴承 品牌:SKF
类型:SKF轴承 > 滚动轴承 > 球面滚子轴承
描述:23088 CAK/W33 *轴承是【SKF轴承 > 滚动轴承 > 球面滚子轴承】的型号,主要用在建筑机械、各类变速器、燃汽轮机、铁路车辆、各类产业用减速机、机床等的变速装置、成形机、陶瓷机械、工程船舶、港口起重机等各大领域

 电话/微信:138-8949-5179

SKF 23088 CAK/W33 *轴承详细信息

23088 CAK/W33 *轴承是【SKF轴承 > 滚动轴承 > 球面滚子轴承】的型号,主要用在建筑机械、各类变速器、燃汽轮机、铁路车辆、各类产业用减速机、机床等的变速装置、成形机、陶瓷机械、工程船舶、港口起重机等各大领域。

SKF 23088 CAK/W33 *轴承详细参数

球面滚子轴承, 圆柱和圆锥孔, 圆锥型内孔, 无密封件
主要数据尺寸基本负荷额定值疲劳负荷限值额定速度体积型号
动态静态参照速度限制速度
dDBCC0Pu * - SKF Explorer 轴承
mmkNkNr/minkg-
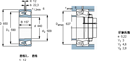
44065015736506550450560100017523088 CAK/W33 *

SKF 23088 CAK/W33 *轴承尺寸图纸

李工:138-8949-5179

刘工:135-0428-8802

地址:辽宁省大连经济技术开发区现代城3栋-13-13号

在线客服系统