轴承专区
Bearings Center
464777轴承-SKF 464777轴承尺寸、图纸、价格
SKF 464777轴承
| 产品名称: | 464777轴承 | 品牌: | SKF |
|---|---|---|---|
| 类型: | SKF轴承 > 滚动轴承 > 圆柱滚子轴承 | ||
| 描述: | 464777轴承是【SKF轴承 > 滚动轴承 > 圆柱滚子轴承】的型号,主要用在仪表、高频马达、汽车发动机、前轮、轧钢机齿轮箱座、机床等的变速装置、碾煤机、纺织、工程船舶、厨具设备等各大领域 | ||
电话/微信:138-8949-5179
SKF 464777轴承详细信息
464777轴承是【SKF轴承 > 滚动轴承 > 圆柱滚子轴承】的型号,主要用在仪表、高频马达、汽车发动机、前轮、轧钢机齿轮箱座、机床等的变速装置、碾煤机、纺织、工程船舶、厨具设备等各大领域。
SKF 464777轴承详细参数
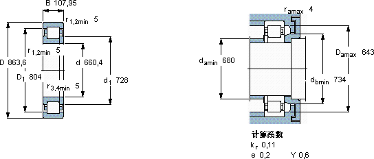
| 圆柱滚子轴承, 单列, NUP 设计 | ||||||||||||
| 主要数据尺寸 | 基本负荷额定值 | 疲劳负荷限值 | 额定速度 | 体积 | 型号 | 适宜的斜挡圈 | ||||||
| 动态 | 静态 | 参照速度 | 限制速度 | 型号 | ||||||||
| d | D | B | C | C0 | Pu | |||||||
| mm | kN | kN | r/min | kg | - | - | ||||||
| 660,4 | 863,6 | 107,95 | 3080 | 6550 | 455 | 800 | 1000 | 177 | 464777 | - | ||
SKF 464777轴承尺寸图纸

