轴承专区
Bearings Center
6300-2Z/VA201轴承-SKF 6300-2Z/VA201轴承尺寸、图纸、价格
SKF 6300-2Z/VA201轴承
| 产品名称: | 6300-2Z/VA201轴承 | 品牌: | SKF |
|---|---|---|---|
| 类型: | SKF轴承 > 滚动轴承 > 深沟球轴承 | ||
| 描述: | 6300-2Z/VA201轴承是【SKF轴承 > 滚动轴承 > 深沟球轴承】的型号,主要用在内燃机、燃料喷射泵、桥式起重机、齿轮减速装置、铁路车辆车轴、起重机吊钩、挤压机、破碎、强夯机、码垛机器人等各大领域 | ||
电话/微信:138-8949-5179
SKF 6300-2Z/VA201轴承详细信息
6300-2Z/VA201轴承是【SKF轴承 > 滚动轴承 > 深沟球轴承】的型号,主要用在内燃机、燃料喷射泵、桥式起重机、齿轮减速装置、铁路车辆车轴、起重机吊钩、挤压机、破碎、强夯机、码垛机器人等各大领域。
SKF 6300-2Z/VA201轴承详细参数
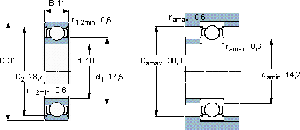
| 深沟球轴承, 用于高温的深沟球轴承, 两面防尘罩 | ||||||||
| 主要数据尺寸 | 基本负荷额定值 | 径向内部游隙 | 体积 | 型号 | ||||
| 静态 | ||||||||
| d | D | B | C0 | 最小 | 最大 | |||
| mm | kN | μm | kg | - | ||||
| 10 | 35 | 11 | 3,4 | 80 | 148 | 0,053 | 6300-2Z/VA201 | |
SKF 6300-2Z/VA201轴承尺寸图纸

