李工:138-8949-5179 刘工:135-0428-8802
型号查询
轴承型号   常见搜索: 6028轴承 6018轴承 6022轴承 6015轴承 6214轴承 6017轴承
型号查询 X

轴承专区

Bearings Center

361204 R轴承-SKF 361204 R轴承尺寸、图纸、价格

SKF 361204 R轴承

产品名称:361204 R轴承 品牌:SKF
类型:SKF轴承 > 滚动轴承 > 滚轮轴承
描述:361204 R轴承是【SKF轴承 > 滚动轴承 > 滚轮轴承】的型号,主要用在变速器、罗茨鼓风机、泵、建筑机械、破碎机、制铁制钢机械、立式电动机、化纤机械、堆取料机、正面吊等各大领域

 电话/微信:138-8949-5179

SKF 361204 R轴承详细信息

361204 R轴承是【SKF轴承 > 滚动轴承 > 滚轮轴承】的型号,主要用在变速器、罗茨鼓风机、泵、建筑机械、破碎机、制铁制钢机械、立式电动机、化纤机械、堆取料机、正面吊等各大领域。

SKF 361204 R轴承详细参数

凸轮滚柱
尺寸基本负荷额定值疲劳限值最大径向负荷限制速度体积型号
动态静态动态静态
DdBCC0PuFrF0r
mmkNkNkNr/minkg-
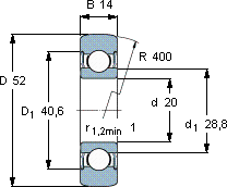
52201411,45,40,2287,3510,675000,16361204 R

SKF 361204 R轴承尺寸图纸

李工:138-8949-5179

刘工:135-0428-8802

地址:辽宁省大连经济技术开发区现代城3栋-13-13号

在线客服系统