李工:138-8949-5179 刘工:135-0428-8802
型号查询
轴承型号   常见搜索: 6028轴承 6013轴承 6002轴承 6022轴承 6012轴承 6019轴承
型号查询 X

轴承专区

Bearings Center

61809-2RS1轴承-SKF 61809-2RS1轴承尺寸、图纸、价格

SKF 61809-2RS1轴承

产品名称:61809-2RS1轴承 品牌:SKF
类型:SKF轴承 > 滚动轴承 > 深沟球轴承
描述:61809-2RS1轴承是【SKF轴承 > 滚动轴承 > 深沟球轴承】的型号,主要用在通用电动机、高频马达、压缩机、前轮、减速装置、机床主轴、轧钢机轧制螺杆用减速机、塑料、挖掘机、机场加油机等各大领域

 电话/微信:138-8949-5179

SKF 61809-2RS1轴承详细信息

61809-2RS1轴承是【SKF轴承 > 滚动轴承 > 深沟球轴承】的型号,主要用在通用电动机、高频马达、压缩机、前轮、减速装置、机床主轴、轧钢机轧制螺杆用减速机、塑料、挖掘机、机场加油机等各大领域。

SKF 61809-2RS1轴承详细参数

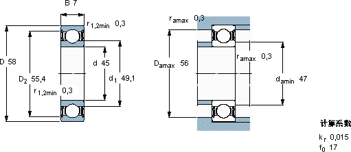
深沟球轴承, 单列, 两面密封件
主要数据尺寸基本负荷额定值疲劳负荷限值额定速度体积型号
动态静态参照速度限制速度
dDBCC0Pu
mmkNkNr/minkg-
455876,636,10,26-67000,04061809-2RS1

SKF 61809-2RS1轴承尺寸图纸

李工:138-8949-5179

刘工:135-0428-8802

地址:辽宁省大连经济技术开发区现代城3栋-13-13号

在线客服系统