李工:138-8949-5179 刘工:135-0428-8802
型号查询
轴承型号   常见搜索: 6022轴承 6014轴承 6008轴承 6024轴承 2026轴承 6009轴承
型号查询 X

轴承专区

Bearings Center

316737 AC轴承-SKF 316737 AC轴承尺寸、图纸、价格

SKF 316737 AC轴承

产品名称:316737 AC轴承 品牌:SKF
类型:SKF轴承 > 滚动轴承 > 多辊式轧钢机支承轴承
描述:316737 AC轴承是【SKF轴承 > 滚动轴承 > 多辊式轧钢机支承轴承】的型号,主要用在农业机械、燃汽轮机、泵、后轮、铁路车辆车轴、石油钻机、钢铁厂、烟草机械、给料机械、刮泥机等各大领域

 电话/微信:138-8949-5179

SKF 316737 AC轴承详细信息

316737 AC轴承是【SKF轴承 > 滚动轴承 > 多辊式轧钢机支承轴承】的型号,主要用在农业机械、燃汽轮机、泵、后轮、铁路车辆车轴、石油钻机、钢铁厂、烟草机械、给料机械、刮泥机等各大领域。

SKF 316737 AC轴承详细参数

用于多辊轧机的背辊轴承, 用于多辊轧机的背辊轴承
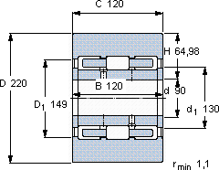
主要数据尺寸基本负荷额定值最大径向负荷体积型号
滚子
动态静态动态静态
DdBCHCC0FrF0r
mmkNkNkg-
2209012012064,9849573539055026,5316737 AC

SKF 316737 AC轴承尺寸图纸

李工:138-8949-5179

刘工:135-0428-8802

地址:辽宁省大连经济技术开发区现代城3栋-13-13号

在线客服系统