李工:138-8949-5179 刘工:135-0428-8802
型号查询
轴承型号   常见搜索: 1轴承 6214轴承 6018轴承 6900轴承 6009轴承 6014轴承
型号查询 X

轴承专区

Bearings Center

6028-Z轴承-SKF 6028-Z轴承尺寸、图纸、价格

SKF 6028-Z轴承

产品名称:6028-Z轴承 品牌:SKF
类型:SKF轴承 > 滚动轴承 > 深沟球轴承
描述:6028-Z轴承是【SKF轴承 > 滚动轴承 > 深沟球轴承】的型号,主要用在建筑机械、各类变速器、发电机、铁路车辆、各类产业用减速机、机床主轴、成形机、啤酒、挖掘机、港口起重机等各大领域

 电话/微信:138-8949-5179

SKF 6028-Z轴承详细信息

6028-Z轴承是【SKF轴承 > 滚动轴承 > 深沟球轴承】的型号,主要用在建筑机械、各类变速器、发电机、铁路车辆、各类产业用减速机、机床主轴、成形机、啤酒、挖掘机、港口起重机等各大领域。

SKF 6028-Z轴承详细参数

深沟球轴承, 单列, 单面防尘罩
主要数据尺寸基本负荷额定值疲劳负荷限值额定速度体积型号
动态静态参照速度限制速度
dDBCC0Pu
mmkNkNr/minkg-
140210331111083,45670040003,356028-Z

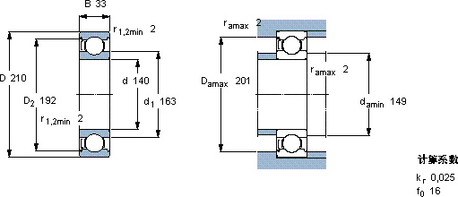
SKF 6028-Z轴承尺寸图纸

李工:138-8949-5179

刘工:135-0428-8802

地址:辽宁省大连经济技术开发区现代城3栋-13-13号

在线客服系统