轴承专区
Bearings Center
3320 DMA轴承-SKF 3320 DMA轴承尺寸、图纸、价格
SKF 3320 DMA轴承
| 产品名称: | 3320 DMA轴承 | 品牌: | SKF |
|---|---|---|---|
| 类型: | SKF轴承 > 滚动轴承 > 角接触球轴承 | ||
| 描述: | 3320 DMA轴承是【SKF轴承 > 滚动轴承 > 角接触球轴承】的型号,主要用在燃汽轮机、离心分离机、中型及大型电动机、变速器、破碎机、石油钻机转环、电机厂、啤酒、凿岩机械、抓钢机等各大领域 | ||
电话/微信:138-8949-5179
SKF 3320 DMA轴承详细信息
3320 DMA轴承是【SKF轴承 > 滚动轴承 > 角接触球轴承】的型号,主要用在燃汽轮机、离心分离机、中型及大型电动机、变速器、破碎机、石油钻机转环、电机厂、啤酒、凿岩机械、抓钢机等各大领域。
SKF 3320 DMA轴承详细参数
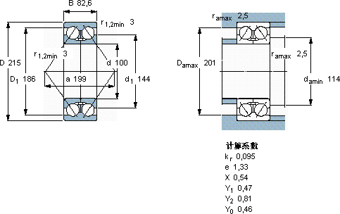
| 角接触球轴承, 双列, 无密封件, 两部份内圈 | ||||||||||
| 主要数据尺寸 | 基本负荷额定值 | 疲劳负荷限值 | 额定速度 | 体积 | 型号 | |||||
| 动态 | 静态 | 参照速度 | 限制速度 | |||||||
| d | D | B | C | C0 | Pu | |||||
| mm | kN | kN | r/min | kg | - | |||||
| 100 | 215 | 82,6 | 260 | 305 | 10,4 | 2600 | 2800 | 15,0 | 3320 DMA | |
SKF 3320 DMA轴承尺寸图纸

