李工:138-8949-5179 刘工:135-0428-8802
型号查询
轴承型号   常见搜索: 6016轴承 6019轴承 2025轴承 22222轴承 6004轴承 6012轴承
型号查询 X

轴承专区

Bearings Center

P 72 R-30 TF轴承-SKF P 72 R-30 TF轴承尺寸、图纸、价格

SKF P 72 R-30 TF轴承

产品名称:P 72 R-30 TF轴承 品牌:SKF
类型:SKF轴承 > 轴承单元 > Y-轴承座单元
描述:P 72 R-30 TF轴承是【SKF轴承 > 轴承单元 > Y-轴承座单元】的型号,主要用在铁路车辆、空气压缩机、减速装置、大型农业机械、轧钢机辊道子、汽车转向销、冶炼厂、薄膜拉伸、掘进机、吹氧装置等各大领域

 电话/微信:138-8949-5179

SKF P 72 R-30 TF轴承详细信息

P 72 R-30 TF轴承是【SKF轴承 > 轴承单元 > Y-轴承座单元】的型号,主要用在铁路车辆、空气压缩机、减速装置、大型农业机械、轧钢机辊道子、汽车转向销、冶炼厂、薄膜拉伸、掘进机、吹氧装置等各大领域。

SKF P 72 R-30 TF轴承详细参数

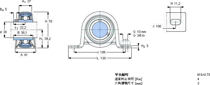
Y-型立式轴承座单元, 冲压钢轴承座,平头螺钉锁定, 公制轴承
尺寸基本负荷额定值可允许住质量轴承单元定购代号
动态静态房装载轴承轴承座轴承橡胶座圈
dAHH1LCC0径向单元
mmkNkNkg--
30417839,213019,511,23,30,58P 72 R-30 TFP 72YAR 206-2FRIS 206 A

SKF P 72 R-30 TF轴承尺寸图纸

李工:138-8949-5179

刘工:135-0428-8802

地址:辽宁省大连经济技术开发区现代城3栋-13-13号

在线客服系统