李工:138-8949-5179 刘工:135-0428-8802
型号查询
轴承型号   常见搜索: 6003轴承 6022轴承 6009轴承 6016轴承 6304轴承 3214轴承
型号查询 X

轴承专区

Bearings Center

RMS 12轴承-SKF RMS 12轴承尺寸、图纸、价格

SKF RMS 12轴承

产品名称:RMS 12轴承 品牌:SKF
类型:SKF轴承 > 滚动轴承 > 深沟球轴承
描述:RMS 12轴承是【SKF轴承 > 滚动轴承 > 深沟球轴承】的型号,主要用在内燃机、燃料喷射泵、压缩机、齿轮减速装置、铁路车辆车轴、石油钻机、挤压机、饮料设备、给料机械、码垛机器人等各大领域

 电话/微信:138-8949-5179

SKF RMS 12轴承详细信息

RMS 12轴承是【SKF轴承 > 滚动轴承 > 深沟球轴承】的型号,主要用在内燃机、燃料喷射泵、压缩机、齿轮减速装置、铁路车辆车轴、石油钻机、挤压机、饮料设备、给料机械、码垛机器人等各大领域。

SKF RMS 12轴承详细参数

深沟球轴承, 单列, 无密封件,带英制尺寸
主要数据尺寸基本负荷额定值疲劳负荷限值额定速度体积型号
动态静态参照速度限制速度
dDBCC0Pu
mmkNkNr/minkg-
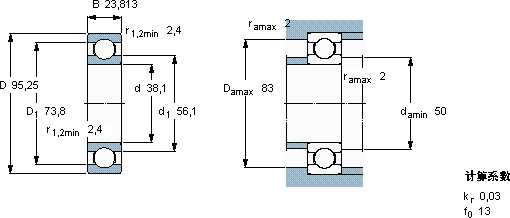
38,195,2523,81341241,0215000110000,79RMS 12仅对售后市场

SKF RMS 12轴承尺寸图纸

李工:138-8949-5179

刘工:135-0428-8802

地址:辽宁省大连经济技术开发区现代城3栋-13-13号

在线客服系统