李工:138-8949-5179 刘工:135-0428-8802
型号查询
轴承型号   常见搜索: 6014轴承 617轴承 6010轴承 6003轴承 2025轴承 1轴承
型号查询 X

轴承专区

Bearings Center

RLS 7-2RS1轴承-SKF RLS 7-2RS1轴承尺寸、图纸、价格

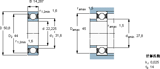
SKF RLS 7-2RS1轴承

产品名称:RLS 7-2RS1轴承 品牌:SKF
类型:SKF轴承 > 滚动轴承 > 深沟球轴承
描述:RLS 7-2RS1轴承是【SKF轴承 > 滚动轴承 > 深沟球轴承】的型号,主要用在后轮、机床主轴、桥式起重机、汽车、轧钢机辊道子、耕耘机、水力发电机、医药设备、平地机、港口起重机等各大领域

 电话/微信:138-8949-5179

SKF RLS 7-2RS1轴承详细信息

RLS 7-2RS1轴承是【SKF轴承 > 滚动轴承 > 深沟球轴承】的型号,主要用在后轮、机床主轴、桥式起重机、汽车、轧钢机辊道子、耕耘机、水力发电机、医药设备、平地机、港口起重机等各大领域。

SKF RLS 7-2RS1轴承详细参数

深沟球轴承, 单列, 两面密封件, 英制轴承
主要数据尺寸基本负荷额定值疲劳负荷限值额定速度体积型号
动态静态参照速度限制速度
dDBCC0Pu
mmkNkNr/minkg-
22,22550,814,287147,650,325-90000,12RLS 7-2RS1仅对售后市场

SKF RLS 7-2RS1轴承尺寸图纸

李工:138-8949-5179

刘工:135-0428-8802

地址:辽宁省大连经济技术开发区现代城3栋-13-13号

在线客服系统