轴承专区
Bearings Center
YAT 205-015轴承-SKF YAT 205-015轴承尺寸、图纸、价格
SKF YAT 205-015轴承
| 产品名称: | YAT 205-015轴承 | 品牌: | SKF |
|---|---|---|---|
| 类型: | SKF轴承 > 滚动轴承 > Y-轴承 | ||
| 描述: | YAT 205-015轴承是【SKF轴承 > 滚动轴承 > Y-轴承】的型号,主要用在后轮、燃汽轮机、发电机、后轮、造纸机械、石油钻机、水力发电机、制鞋、给料机械、焊接机器人等各大领域 | ||
电话/微信:138-8949-5179
SKF YAT 205-015轴承详细信息
YAT 205-015轴承是【SKF轴承 > 滚动轴承 > Y-轴承】的型号,主要用在后轮、燃汽轮机、发电机、后轮、造纸机械、石油钻机、水力发电机、制鞋、给料机械、焊接机器人等各大领域。
SKF YAT 205-015轴承详细参数
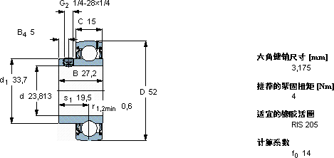
| Y-轴承, 带平头螺钉锁定的, YAT 2 | ||||||||||
| 主要数据尺寸 | 基本负荷额定值 | 疲劳负荷限值 | 限制速度 | 体积 | 型号 | |||||
| 动态 | 静态 | |||||||||
| d | D | B | C | C | C0 | Pu | 用于轴公差h6 | |||
| mm | kN | kN | r/min | kg | - | |||||
| 23,813 | 52 | 27,2 | 15 | 14 | 7,8 | 0,335 | 7000 | 0,15 | YAT 205-015 | |
SKF YAT 205-015轴承尺寸图纸

