李工:138-8949-5179 刘工:135-0428-8802
型号查询
轴承型号   常见搜索: *轴承 6909轴承 6026轴承 6015轴承 22222轴承 32313轴承
型号查询 X

轴承专区

Bearings Center

SILKAC 22 M轴承-SKF SILKAC 22 M轴承尺寸、图纸、价格

SKF SILKAC 22 M轴承

产品名称:SILKAC 22 M轴承 品牌:SKF
类型:SKF轴承 > 球面滑动轴承和杆端关节轴承 > 需维护的杆端关节轴承
描述:SILKAC 22 M轴承是【SKF轴承 > 球面滑动轴承和杆端关节轴承 > 需维护的杆端关节轴承】的型号,主要用在铁路车辆、燃料喷射泵、变速器、齿轮减速装置、木工机械、起重机吊钩、冶炼厂、塑料、专用车、正面吊等各大领域

 电话/微信:138-8949-5179

SKF SILKAC 22 M轴承详细信息

SILKAC 22 M轴承是【SKF轴承 > 球面滑动轴承和杆端关节轴承 > 需维护的杆端关节轴承】的型号,主要用在铁路车辆、燃料喷射泵、变速器、齿轮减速装置、木工机械、起重机吊钩、冶炼厂、塑料、专用车、正面吊等各大领域。

SKF SILKAC 22 M轴承详细参数

需要维护的杆端, 钢对青铜,阴螺纹
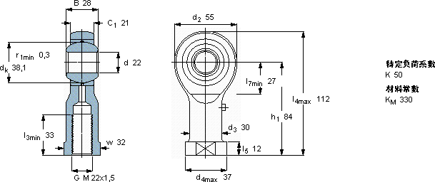
主要数据尺寸角度倾的基本负荷额定值质量型号
动态静态轴承座完全与
dd2Bd3C1h1±CC0
6H
mm度数kNkg-
225528M 22x1,521841538450,52SILKAC 22 M

SKF SILKAC 22 M轴承尺寸图纸

李工:138-8949-5179

刘工:135-0428-8802

地址:辽宁省大连经济技术开发区现代城3栋-13-13号

在线客服系统