轴承专区
Bearings Center
315754轴承-SKF 315754轴承尺寸、图纸、价格
SKF 315754轴承
| 产品名称: | 315754轴承 | 品牌: | SKF |
|---|---|---|---|
| 类型: | SKF轴承 > 滚动轴承 > 圆柱滚子轴承 | ||
| 描述: | 315754轴承是【SKF轴承 > 滚动轴承 > 圆柱滚子轴承】的型号,主要用在装卸搬运机械、离心分离机、压缩机、变速器、减速装置、石油钻机转环、矿山、纺织、轻工机械、摩天轮等各大领域 | ||
电话/微信:138-8949-5179
SKF 315754轴承详细信息
315754轴承是【SKF轴承 > 滚动轴承 > 圆柱滚子轴承】的型号,主要用在装卸搬运机械、离心分离机、压缩机、变速器、减速装置、石油钻机转环、矿山、纺织、轻工机械、摩天轮等各大领域。
SKF 315754轴承详细参数
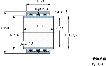
| 圆柱滚子轴承, 六列 | ||||||||||
| 主要数据尺寸 | 基本负荷额定值 | 疲劳负荷限值 | 额定速度 | 体积 | 型号 | |||||
| 动态 | 静态 | 参照速度 | 限制速度 | |||||||
| d | D | B | C | C0 | Pu | |||||
| mm | kN | kN | r/min | kg | - | |||||
| 110 | 150 | 90 | 238 | 570 | 69,5 | 1500 | 1800 | 4,35 | 315754 | |
SKF 315754轴承尺寸图纸

