轴承专区
Bearings Center
RLS 4-2RS1轴承-SKF RLS 4-2RS1轴承尺寸、图纸、价格
SKF RLS 4-2RS1轴承
| 产品名称: | RLS 4-2RS1轴承 | 品牌: | SKF |
|---|---|---|---|
| 类型: | SKF轴承 > 滚动轴承 > 深沟球轴承 | ||
| 描述: | RLS 4-2RS1轴承是【SKF轴承 > 滚动轴承 > 深沟球轴承】的型号,主要用在仪表、印刷机械、变速器、轧钢机辊颈、轧钢机齿轮箱座、制铁制钢机械、碾煤机、啤酒、起重机械、钢包回转台等各大领域 | ||
电话/微信:138-8949-5179
SKF RLS 4-2RS1轴承详细信息
RLS 4-2RS1轴承是【SKF轴承 > 滚动轴承 > 深沟球轴承】的型号,主要用在仪表、印刷机械、变速器、轧钢机辊颈、轧钢机齿轮箱座、制铁制钢机械、碾煤机、啤酒、起重机械、钢包回转台等各大领域。
SKF RLS 4-2RS1轴承详细参数
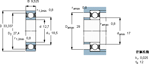
| 深沟球轴承, 单列, 两面密封件, 英制轴承 | |||||||||||
| 主要数据尺寸 | 基本负荷额定值 | 疲劳负荷限值 | 额定速度 | 体积 | 型号 | ||||||
| 动态 | 静态 | 参照速度 | 限制速度 | ||||||||
| d | D | B | C | C0 | Pu | ||||||
| mm | kN | kN | r/min | kg | - | ||||||
| 12,7 | 33,337 | 9,525 | 6,89 | 3,1 | 0,132 | - | 15000 | 0,037 | RLS 4-2RS1 | 仅对售后市场 | |
SKF RLS 4-2RS1轴承尺寸图纸

