轴承专区
Bearings Center
619/1180 MB轴承-SKF 619/1180 MB轴承尺寸、图纸、价格
SKF 619/1180 MB轴承
| 产品名称: | 619/1180 MB轴承 | 品牌: | SKF |
|---|---|---|---|
| 类型: | SKF轴承 > 滚动轴承 > 深沟球轴承 | ||
| 描述: | 619/1180 MB轴承是【SKF轴承 > 滚动轴承 > 深沟球轴承】的型号,主要用在各种产业机械、差速器小齿轮轴、泵、小齿轮轴、各类产业用减速机、机床主轴、发电厂、纺织、混凝土机械、雷达等各大领域 | ||
电话/微信:138-8949-5179
SKF 619/1180 MB轴承详细信息
619/1180 MB轴承是【SKF轴承 > 滚动轴承 > 深沟球轴承】的型号,主要用在各种产业机械、差速器小齿轮轴、泵、小齿轮轴、各类产业用减速机、机床主轴、发电厂、纺织、混凝土机械、雷达等各大领域。
SKF 619/1180 MB轴承详细参数
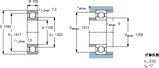
| 深沟球轴承, 单列, 无密封件 | |||||||||||
| 主要数据尺寸 | 基本负荷额定值 | 疲劳负荷限值 | 额定速度 | 体积 | 型号 | ||||||
| 动态 | 静态 | 参照速度 | 限制速度 | ||||||||
| d | D | B | C | C0 | Pu | ||||||
| mm | kN | kN | r/min | kg | - | ||||||
| 1180 | 1540 | 160 | 1140 | 3600 | 41,5 | 220 | 280 | 775 | 619/1180 MB | ||
SKF 619/1180 MB轴承尺寸图纸

