李工:138-8949-5179 刘工:135-0428-8802
型号查询
轴承型号   常见搜索: 6007轴承 22222轴承 6026轴承 6004轴承 6909轴承 *轴承
型号查询 X

轴承专区

Bearings Center

HMVC 106E轴承-SKF HMVC 106E轴承尺寸、图纸、价格

SKF HMVC 106E轴承

产品名称:HMVC 106E轴承 品牌:SKF
类型:SKF轴承 > 滚动轴承 > 轴承附件
描述:HMVC 106E轴承是【SKF轴承 > 滚动轴承 > 轴承附件】的型号,主要用在各种产业机械、离心分离机、泵、变速器、破碎机、制铁制钢机械、发电厂、塑料、起重机械、塔式车库等各大领域

 电话/微信:138-8949-5179

SKF HMVC 106E轴承详细信息

HMVC 106E轴承是【SKF轴承 > 滚动轴承 > 轴承附件】的型号,主要用在各种产业机械、离心分离机、泵、变速器、破碎机、制铁制钢机械、发电厂、塑料、起重机械、塔式车库等各大领域。

SKF HMVC 106E轴承详细参数

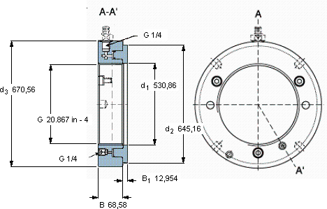
Hydraulic nuts, inch sizes
螺纹尺寸尺寸PermittedPiston area体积型号
piston
Gd1d2d3BB1displacement
mmmm (metric sizes)mmmmmm2 (metric sizes)kg-
in - threads/in (inch sizes)in2 (inch sizes)
526,33920.867 in - 4530,86645,16670,5668,5812,95421,08287,1174HMVC 106E-

SKF HMVC 106E轴承尺寸图纸

李工:138-8949-5179

刘工:135-0428-8802

地址:辽宁省大连经济技术开发区现代城3栋-13-13号

在线客服系统