李工:138-8949-5179 刘工:135-0428-8802
型号查询
轴承型号   常见搜索: 6214轴承 6026轴承 6010轴承 6032轴承 6018轴承 6021轴承
型号查询 X

轴承专区

Bearings Center

314 NR轴承-SKF 314 NR轴承尺寸、图纸、价格

SKF 314 NR轴承

产品名称:314 NR轴承 品牌:SKF
类型:SKF轴承 > 滚动轴承 > 深沟球轴承
描述:314 NR轴承是【SKF轴承 > 滚动轴承 > 深沟球轴承】的型号,主要用在各种产业机械、印刷机械、挖土机履带轮、轧钢机辊颈、印刷机械、制铁制钢机械、发电厂、啤酒、堆取料机、雷达等各大领域

 电话/微信:138-8949-5179

SKF 314 NR轴承详细信息

314 NR轴承是【SKF轴承 > 滚动轴承 > 深沟球轴承】的型号,主要用在各种产业机械、印刷机械、挖土机履带轮、轧钢机辊颈、印刷机械、制铁制钢机械、发电厂、啤酒、堆取料机、雷达等各大领域。

SKF 314 NR轴承详细参数

深沟球轴承, 单列,带装球缺口和止动环槽, 无密封件
主要数据尺寸基本负荷额定值疲劳负荷限值额定速度体积型号
动态静态参照速度限制速度轴承,带止动环止动环
dDBCC0Pu
mmkNkNr/minkg-
70150351141024,15800050002,75314 NRSP 150

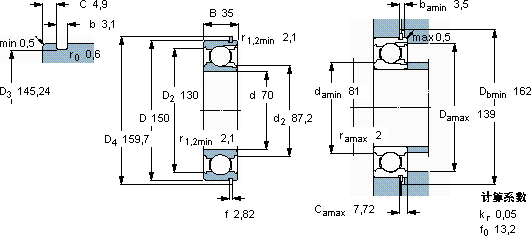
SKF 314 NR轴承尺寸图纸

李工:138-8949-5179

刘工:135-0428-8802

地址:辽宁省大连经济技术开发区现代城3栋-13-13号

在线客服系统