李工:138-8949-5179 刘工:135-0428-8802
型号查询
轴承型号   常见搜索: 6002轴承 2025轴承 6019轴承 6028轴承 6304轴承 6014轴承
型号查询 X

轴承专区

Bearings Center

11209 TN9轴承-SKF 11209 TN9轴承尺寸、图纸、价格

SKF 11209 TN9轴承

产品名称:11209 TN9轴承 品牌:SKF
类型:SKF轴承 > 滚动轴承 > 自调心球轴承
描述:11209 TN9轴承是【SKF轴承 > 滚动轴承 > 自调心球轴承】的型号,主要用在家用电器、空气压缩机、压缩机、大型农业机械、铁路车辆车轴、汽车转向销、塔吊、医药设备、掘进机、雷达等各大领域

 电话/微信:138-8949-5179

SKF 11209 TN9轴承详细信息

11209 TN9轴承是【SKF轴承 > 滚动轴承 > 自调心球轴承】的型号,主要用在家用电器、空气压缩机、压缩机、大型农业机械、铁路车辆车轴、汽车转向销、塔吊、医药设备、掘进机、雷达等各大领域。

SKF 11209 TN9轴承详细参数

自调心球轴承, 圆柱孔和圆锥孔, 宽内圈
主要数据尺寸基本负荷额定值疲劳负荷限值额定速度体积型号
动态静态参照速度限制速度
dDBCC0Pu
mmkNkNr/minkg-
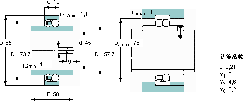
45855821,67,350,38-45000,7711209 TN9

SKF 11209 TN9轴承尺寸图纸

李工:138-8949-5179

刘工:135-0428-8802

地址:辽宁省大连经济技术开发区现代城3栋-13-13号

在线客服系统