轴承专区
Bearings Center
HMVC 21E轴承-SKF HMVC 21E轴承尺寸、图纸、价格
SKF HMVC 21E轴承
| 产品名称: | HMVC 21E轴承 | 品牌: | SKF |
|---|---|---|---|
| 类型: | SKF轴承 > 滚动轴承 > 轴承附件 | ||
| 描述: | HMVC 21E轴承是【SKF轴承 > 滚动轴承 > 轴承附件】的型号,主要用在后轮、油泵、减速装置、机床主轴、轧钢机辊道子、石油钻机、水力发电机、钟表、给料机械、港口起重机等各大领域 | ||
电话/微信:138-8949-5179
SKF HMVC 21E轴承详细信息
HMVC 21E轴承是【SKF轴承 > 滚动轴承 > 轴承附件】的型号,主要用在后轮、油泵、减速装置、机床主轴、轧钢机辊道子、石油钻机、水力发电机、钟表、给料机械、港口起重机等各大领域。
SKF HMVC 21E轴承详细参数
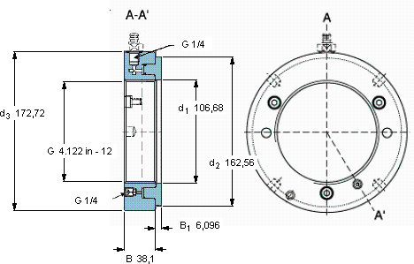
| Hydraulic nuts, inch sizes | ||||||||||||
| 螺纹尺寸 | 尺寸 | Permitted | Piston area | 体积 | 型号 | |||||||
| piston | ||||||||||||
| G | d1 | d2 | d3 | B | B1 | displacement | ||||||
| mm | mm (metric sizes) | mm | mm | mm2 (metric sizes) | kg | - | ||||||
| in - threads/in (inch sizes) | in2 (inch sizes) | |||||||||||
| 103,325 | 4.122 in - 12 | 106,68 | 162,56 | 172,72 | 38,1 | 6,096 | 5,08 | 8,2 | 10,3 | HMVC 21E | - | |
SKF HMVC 21E轴承尺寸图纸

