轴承专区
Bearings Center
241/530 ECA/W33 *轴承-SKF 241/530 ECA/W33 *轴承尺寸、图纸、价格
SKF 241/530 ECA/W33 *轴承
| 产品名称: | 241/530 ECA/W33 *轴承 | 品牌: | SKF |
|---|---|---|---|
| 类型: | SKF轴承 > 滚动轴承 > 球面滚子轴承 | ||
| 描述: | 241/530 ECA/W33 *轴承是【SKF轴承 > 滚动轴承 > 球面滚子轴承】的型号,主要用在铁路车辆、油泵、挖土机履带轮、机床主轴、振动筛、起重机吊钩、冶炼厂、钟表、强夯机、机械手等各大领域 | ||
电话/微信:138-8949-5179
SKF 241/530 ECA/W33 *轴承详细信息
241/530 ECA/W33 *轴承是【SKF轴承 > 滚动轴承 > 球面滚子轴承】的型号,主要用在铁路车辆、油泵、挖土机履带轮、机床主轴、振动筛、起重机吊钩、冶炼厂、钟表、强夯机、机械手等各大领域。
SKF 241/530 ECA/W33 *轴承详细参数
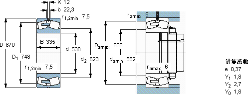
| 球面滚子轴承, 圆柱和圆锥孔, 圆柱型内孔, 无密封件 | ||||||||||
| 主要数据尺寸 | 基本负荷额定值 | 疲劳负荷限值 | 额定速度 | 体积 | 型号 | |||||
| 动态 | 静态 | 参照速度 | 限制速度 | |||||||
| d | D | B | C | C0 | Pu | * - SKF Explorer 轴承 | ||||
| mm | kN | kN | r/min | kg | - | |||||
| 530 | 870 | 335 | 10600 | 19000 | 1220 | 300 | 560 | 830 | 241/530 ECA/W33 * | |
SKF 241/530 ECA/W33 *轴承尺寸图纸

