李工:138-8949-5179 刘工:135-0428-8802
型号查询
轴承型号   常见搜索: 688a轴承 6021轴承 *轴承 1轴承 6001轴承 6011轴承
型号查询 X

轴承专区

Bearings Center

294/630 EM轴承-SKF 294/630 EM轴承尺寸、图纸、价格

SKF 294/630 EM轴承

产品名称:294/630 EM轴承 品牌:SKF
类型:SKF轴承 > 滚动轴承 > 球面滚子推力轴承
描述:294/630 EM轴承是【SKF轴承 > 滚动轴承 > 球面滚子推力轴承】的型号,主要用在各种产业机械、印刷机械、中型及大型电动机、轧钢机辊颈、轧钢机齿轮箱座、制铁制钢机械、发电厂、玩具、堆取料机、雷达等各大领域

 电话/微信:138-8949-5179

SKF 294/630 EM轴承详细信息

294/630 EM轴承是【SKF轴承 > 滚动轴承 > 球面滚子推力轴承】的型号,主要用在各种产业机械、印刷机械、中型及大型电动机、轧钢机辊颈、轧钢机齿轮箱座、制铁制钢机械、发电厂、玩具、堆取料机、雷达等各大领域。

SKF 294/630 EM轴承详细参数

球面滚子推力轴承, 球面滚子推力轴承
主要数据尺寸尺寸 [英寸]疲劳负荷限值最小负荷系数额定速度体积型号
动态静态参照速度限制速度
dDHCC0Pu
mmkNkN-r/minkg-
6301090280144006200041503702605001040294/630 EM

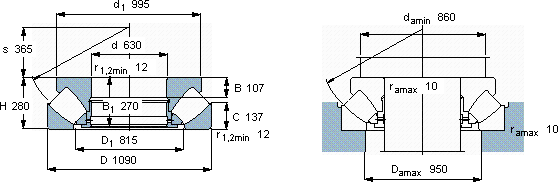
SKF 294/630 EM轴承尺寸图纸

李工:138-8949-5179

刘工:135-0428-8802

地址:辽宁省大连经济技术开发区现代城3栋-13-13号

在线客服系统