李工:138-8949-5179 刘工:135-0428-8802
型号查询
轴承型号   常见搜索: 6003轴承 6909轴承 6214轴承 6017轴承 6019轴承 6030轴承
型号查询 X

轴承专区

Bearings Center

N 318 ECP *轴承-SKF N 318 ECP *轴承尺寸、图纸、价格

SKF N 318 ECP *轴承

产品名称:N 318 ECP *轴承 品牌:SKF
类型:SKF轴承 > 滚动轴承 > 圆柱滚子轴承
描述:N 318 ECP *轴承是【SKF轴承 > 滚动轴承 > 圆柱滚子轴承】的型号,主要用在燃汽轮机、离心分离机、泵、变速器、减速装置、石油钻机转环、电机厂、破碎、轻工机械、抓钢机等各大领域

 电话/微信:138-8949-5179

SKF N 318 ECP *轴承详细信息

N 318 ECP *轴承是【SKF轴承 > 滚动轴承 > 圆柱滚子轴承】的型号,主要用在燃汽轮机、离心分离机、泵、变速器、减速装置、石油钻机转环、电机厂、破碎、轻工机械、抓钢机等各大领域。

SKF N 318 ECP *轴承详细参数

圆柱滚子轴承, 单列, N 设计
主要数据尺寸基本负荷额定值疲劳负荷限值额定速度体积型号适宜的斜挡圈
动态静态参照速度限制速度型号
dDBCC0Pu * - SKF Explorer 轴承
mmkNkNr/minkg--
901904336536043380045005,40N 318 ECP *-

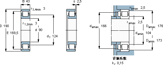
SKF N 318 ECP *轴承尺寸图纸

李工:138-8949-5179

刘工:135-0428-8802

地址:辽宁省大连经济技术开发区现代城3栋-13-13号

在线客服系统