李工:138-8949-5179 刘工:135-0428-8802
型号查询
轴承型号   常见搜索: 688a轴承 6011轴承 6013轴承 6017轴承 617轴承 6002轴承
型号查询 X

轴承专区

Bearings Center

6218 N *轴承-SKF 6218 N *轴承尺寸、图纸、价格

SKF 6218 N *轴承

产品名称:6218 N *轴承 品牌:SKF
类型:SKF轴承 > 滚动轴承 > 深沟球轴承
描述:6218 N *轴承是【SKF轴承 > 滚动轴承 > 深沟球轴承】的型号,主要用在铁路车辆、小型汽车前轮、减速装置、差速器、木工机械、耕耘机、冶炼厂、精细化工机械、地基处理机械、正面吊等各大领域

 电话/微信:138-8949-5179

SKF 6218 N *轴承详细信息

6218 N *轴承是【SKF轴承 > 滚动轴承 > 深沟球轴承】的型号,主要用在铁路车辆、小型汽车前轮、减速装置、差速器、木工机械、耕耘机、冶炼厂、精细化工机械、地基处理机械、正面吊等各大领域。

SKF 6218 N *轴承详细参数

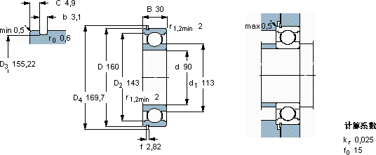
深沟球轴承, 单列,带止动环槽, 无密封件
主要数据尺寸基本负荷额定值疲劳负荷限值额定速度体积型号
动态静态参照速度限制速度轴承止动环
(R = 带止动环)
dDBCC0Pu * - SKF Explorer 轴承
mmkNkNr/minkg-
901603010173,52,8850053002,156218 N *SP 160

SKF 6218 N *轴承尺寸图纸

李工:138-8949-5179

刘工:135-0428-8802

地址:辽宁省大连经济技术开发区现代城3栋-13-13号

在线客服系统